Isuzu GIGA 8×4 Truck-Mounted Crane: Reshaping Efficiency Benchmarks in Engineering Operations
In the realm of engineering transportation and heavy-duty lifting, the Isuzu GIGA 8×4 truck-mounted crane stands out as a "game-changer" for municipal projects, bridge construction, and mining operations. Its innovation across chassis design, powertrain systems, and lifting mechanisms—combined with XCMG's high-quality crane technology—sets a new industry standard. Below, we dissect its core technical advantages to explain why it is the ideal choice for efficient operations.
I. Powertrain & Transmission: Low-RPM High-Torque Precision
● Isuzu 6WG1-TCG62 Engine: The "Heart" of Engineering Operations
Engine Specifications: The 6WG1-TCG62 engine boasts a 15.7L displacement, delivering 520 horsepower and a peak torque of 2,250 N·m at 900–1,300 RPM. Compliant with Euro 6 emission standards, it balances environmental protection with robust power output.
Advanced Technologies: High-pressure common-rail injection and turbocharged intercooling systems enable instant torque delivery at low RPMs, ideal for challenging conditions such as hillside lifting and heavy-load startups. Paired with a 12-speed FAST transmission, it ensures seamless gear shifts and precise power distribution for both highway economy and off-road terrain.
II. Ultra-Strong Load-Bearing & Stability Design
● Chassis & Axle Configuration Optimization
8×4 Drive Layout: With a total mass capacity of 44 tons and an axle spacing of 2,100+4,325+1,370mm, it balances steering agility with even load distribution.
Cargo Box Durability: Measuring 7,000×2,350×550mm with 4mm side walls and 5mm floor plates, it ensures large-volume loading and structural rigidity under heavy loads.
● Tires & Suspension Systems
12R22.5 Tires: Provide exceptional ground contact area and grip, minimizing slip risks.
Multi-Axle Balanced Suspension: Distributes heavy loads evenly, safeguarding chassis stability.
III. Lifting System: XCMG GSQS500-5 Straight-Arm Crane Breakthroughs
The next-generation G-series straight-arm crane features strengthened synchronized telescopic mechanisms, superior load-bearing telescoping capabilities, and a proprietary confluence proportional control system for precise, stable, and user-friendly operations. Key features include automatic hook retraction for safety, optional accessories (secondary hooks, work platforms, remote controls, torque limiters), and flexible configurations.
● Five-Section Synchronized Telescopic Boom: 23.7m Radius & 520kN·m Torque
Lifting Efficiency: The 23.7m boom extends to cover a 20m radius when fully deployed (8,396mm leg span). With a 520kN·m torque rating and a 7,600kg crane weight, it ensures precision and stability. For example, in municipal projects, its 23.7m radius reduces vehicle repositioning, accelerating timelines.
Hydraulic System Optimization: The 80+50L/min hydraulic system uses variable displacement pumps for dynamic flow allocation, synchronizing lifting, slewing, and telescoping motions to shorten cycle times.
● Outriggers & Installation Space: Multi-Scenario Adaptability
Adjustable Leg Spans: Horizontal spans of 2,436–8,396mm and a 6,500mm longitudinal span cater to both confined and open workspaces. A 1,400mm installation clearance enables toolboxes or water tanks at the rear, optimizing efficiency.
Safety Certification: The outrigger hydraulic system operates at 28MPa and has undergone 100,000 pressure tests to guarantee stability during lifting.

XCMG GSQS500-5 Crane Advantages
● Enhanced Lifting Capacity: Handles heavier loads efficiently.
● Superior Stability: Equipped with safety systems (intelligent limiters, emergency stops, fault diagnostics) for secure operations.
● High Flexibility: Adapts to diverse lifting conditions and site requirements via multiple modes and controls.
● User-Friendly Design: Features a touchscreen control system and intelligent monitoring for simplified operation.
● Energy Efficiency: Advanced energy-saving technologies and smart management reduce consumption and costs.
● Low Noise: Uses noise-reduction and insulation materials to minimize pollution.



|
ISUZU GIGA 8x4 20tons boom crane truck |
|||
|
General Technical Parameters |
|||
|
Overall Dimension |
11980x2500x3980mm |
||
|
Gross Vehicle Weight |
44000(Kg) |
||
|
Curb Weight |
18500(Kg) |
||
|
Chassis Specification |
|||
|
Chassis Brand |
Isuzu |
||
|
Drive model |
8x4,LHD |
||
|
Cabin |
Isuzu VC66 chassis,2 seats with a sleeper, Left Hand Driving, with air conditional |
||
|
Engine |
Model |
4-stroke direct injection , 6-cylinder in-line with water cooling, inter-cooling, EGR |
|
|
Type |
Isuzu 6WG1-TCG62 |
||
|
Power |
380KW/520HP |
||
|
Emission standard |
EURO 6 |
||
|
Displacement |
15681ml |
||
|
Fuel type |
Diesel |
||
|
Gearbox |
FAST 12 speed, 12 forward gears, 2 reverse gears |
||
|
Brake System |
Air brake |
||
|
Wheel Base |
2100+4325+1370mm |
||
|
Front/Rear Axle Loading |
9000/9000/13000/13000Kg |
||
|
Tire |
385/65R22.5 / 315/80R22.5,12+1 pcs |
||
|
Max Driving Speed |
89km/h |
||
|
Superstructure Specification |
|||
|
Cargo Body |
Dimension |
7200*2350*550mm |
|
|
Material |
Q235 carbon steel |
||
|
Cargo Thickness |
Side 3mm, Bottom 4mm |
||
|
Working System |
Boom Type |
Straight 5-Arm telescopic boom |
|
|
Crane |
Crane Brand |
XCMG GSQS500-5 |
|
|
Max Lifting Moment |
520kN·m |
||
|
Max extension length |
23.7m |
||
|
Max Lifting Capacity |
20000kg |
||
|
Max lifting height |
25m |
||
|
Rotation angle |
360° |
||
|
Installation space |
1400mm |
||
|
Recommented power |
60kw |
||
|
Maximum working pressure |
28Mpa |
||
|
Recommended flow rate |
80+50L/min |
||
|
Crane weight |
7600kg |
||
|
Oil tank capacity |
270L |
||
|
Leg |
Leg type |
H type |
|
|
Leg Span |
2436~8396mm |
||
IV. Technical Advantages: Reliability, Efficiency & Cost Balance
Reliability: The Isuzu 6WG1 engine has logged over 100,000km of fault-free operation in engineering vehicles. XCMG's cranes leverage mature technologies, lowering maintenance costs.
Efficiency: The 23.7m boom radius and 520kN·m torque cover 90% of municipal and bridge lifting needs, reducing transit trips.
Cost-Effectiveness: Euro 6 compliance extends vehicle lifespan, while hydraulic system optimization cuts fuel use. Total Cost of Ownership (TCO) is 15% lower than competitors.
Applications

In fields such as engineering construction and logistics transportation, a high-performance crane is the key to improving efficiency. The POWERSTAR Isuzu 100P cargo truck mounted 3.2T boom crane, with its outstanding configurations and performance, has become a capable assistant for small and medium-sized engineering operations. Reliable Chassis and Efficient Power This crane is equipped with the Isuzu 100P chassis and has a wheelbase of 3360mm. It is powered by the Isuzu 4KH1CN6LB 120HP engine, which is robust and meets the Euro VI emission standards. This engine provides sufficient power support for various operations of the crane. Paired with the Isuzu MSB 5-speed gearbox, it offers smooth gear shifting and is easy to operate. Versatile Upper-body Design The upper-body cargo box is made of carbon steel with a thickness of three sides and four bottoms, making it sturdy and durable, capable of carrying a large amount of cargo. With dimensions of 3500x2000x450mm, the cargo box provides ample space to meet the transportation needs of different types of goods. Product Parameters ISUZU ELF 3.2tons Boom Crane Truck General Technical Parameters Overall Dimension 5850×2100×2550 mm Gross Vehicle Weight 7300Kg Curb Weight 4250Kg Chassis Specification Chassis Brand ISUZU Drive model 4x2 Cabin Isuzu ELF 100P cabin, Left Hand Driving, with air conditional Number of Passengers 2 Engine Style 4-stroke direct injection, 4-cylinder in-line with water cooling, inter-cooling, EGR Model Isuzu 4KH1CN6LB Power 88KW/120HP Emission standard EURO 6 Displacement 2999ml Max torque 290N.m Fuel type Diesel Gearbox Isuzu MSB 5-speed,manual Brake System OiL brake Wheel Base 3360mm Front/Rear Axle Loading 2580/4750Kg Tire 700R16 Max Driving Speed 115km/h Upper structure Specification Cargo Body Dimension 3500x2000x450mm Material Q235 carbon steel Cargo Thickness Side 3mm, Bottom 4mm Working System Boom Type Straight 3-Arm telescopic boom Boom model POWERSTAR KSQS68-3 Max Lifting Moment 6.72t·m Max Lifting Capacity 3200kg Max lifting height 9.5m Rotation angle 360° ALL Rotation Installation space 680mm Max working radius 7.5m Hydraulic system flow 20L/min Crane weight 1600kg Oil tank capacity 60L Other Configuration Control system in 2 side; 3.2T arm, etc. Efficient, Flexible, and Highly Practical Crane The POWERSTAR KSQS68-3 3-section straight-arm crane has a maximum lifting capacity of 3.2 tons, a lifting height of 9.5 meters, and a maximum working radius of 7.5 meters, enabling it to easily handle various lifting tasks. It features a 360-degree full-rotation function. The hydraulic outriggers on both sides provide stable support for crane operations, ensuring safe operation. Precise and Convenient Operation Design The manual hydraulic control levers on both sides are reasonably designed. Operators can easily control the crane's extension, retraction, lifting, lowering, rotation, as well as the lifting and lowering of the hook and the extension and retraction of the outriggers. The operations are precise and convenient. Whether it's equipment hoisting on construction sites, power maintenance, cargo loading and unloading in logistics warehouses, or flexible operations during emergency rescue efforts, this crane is up to the task. Manual hydraulic control lever Manual hydraulic control lever Outriggers Testing before shipment Lifting test
Learn More
Isuzu FVR 8-Ton Truck-Mounted Crane: The "All-Rounder" for Heavy Lifting and Cargo Hauling If you need a workhorse that can both "reach new heights" and "haul heavy loads," the Isuzu FVR 8-ton truck-mounted crane is a beast you can’t ignore. Built on the rugged Isuzu FVR GIGA 5X chassis, it’s powered by the robust 6HK1-TCG61 240HP engine and paired with a smooth-shifting 8-speed manual transmission from Fast Gear—delivering steady power, effortless climbing, and unstoppable towing capability. Chassis & Powertrain: Stable as a Mountain, Powerful as a Tiger Mighty Engine: The 6HK1-TCG61 engine, a 240HP workhorse, cranks out 850N·m of torque at low RPMs. It’s fuel-efficient, built to last, and the definition of an "endurance runner" in the engineering vehicle world. Seamless Shifting: The Fast Gear 8-speed transmission offers clear gear ratios and buttery-smooth shifts. Whether navigating city streets or rugged construction sites, it handles both with ease. Optimal Wheelbase: The FVR GIGA 5X chassis inherits Isuzu’s legendary "steel backbone" durability. With a 4,500mm wheelbase, it balances tight-turn maneuverability and highway stability, making it a jack-of-all-trades. ISUZU FVR 8T boom crane truck General Technical Parameters Overall Dimension 9700x2480x3650mm Gross Vehicle Weight 18000(Kg) Curb Weight 9800(Kg) Chassis Specification Chassis Brand Isuzu Drive model 4x2,LHD Cabin Isuzu FVR 5X chassis,2 seats with a sleeper, Left Hand Driving, with air conditional Engine Model 4-stroke direct injection , 6-cylinder in-line with water cooling, inter-cooling, EGR Type Isuzu 6HK1-TCG61 Power 176KW/240HP Emission standard EURO 6 Displacement 7780ml Max torque 850N.m Fuel type Diesel Gearbox FAST 8 speed, 8forward gears, 1 reverse gears Brake System Air brake Wheel Base 4500mm Front/Rear Axle Loading 6500/11500Kg Tire 295/80R22.5, 6+1 pcs Max Driving Speed 95km/h Superstructure Specification Cargo Body Dimension 5500*2350*550mm Material Q235 carbon steel Cargo Thickness Side 3mm, Bottom 4mm Working System Boom Type Straight 5-Arm telescopic boom Crane Crane Brand SQ-8 Max Lifting Moment 20T·M Max extension length 16.5m Max Lifting Capacity 8000kg Max lifting height 18.5m Rotation angle 360° Installation space 1200mm Maximum working pressure 27Mpa Recommended flow rate 55L/min Crane weight 3250kg Oil tank capacity 160L Leg Leg type H type Leg Span 4500mm Upper Structure: SQ-8 Crane – 5-Section Arm Masters Aerial Operations The soul of this machine lies in its SQ-8 synchronous telescopic boom crane. With a 5-section design, it lifts up to 8 tons and reaches 18.5 meters (equivalent to a 6-story building). The 360° rotation capability turns it into a master of lifting, transporting, and aerial work. Smooth Telescoping: The 5-section boom extends and retracts synchronously, ensuring fluid, jitter-free operations and peak efficiency. Aerial Work Platform: Optional man basket attachment transforms it into a "Spider-Man mobile station" for high-altitude maintenance, installations, or tree trimming. Rock-Solid Stability: Hydraulic outriggers + high-strength steel construction keep it anchored during heavy lifts—no swaying, no drama. SQ-8 boom crane lifting capacity Working radius(m) 2.5 4.5 7.42 10.34 13.26 16.18 Lifting capacity(kg) 8000 3800 2000 1200 800 500 Cargo box: Spacious and Tough, Ready for Action Lifting power alone isn’t enough. This rig’s cargo bed measures 5,500×2,350×550mm, with 4mm side walls and a 5mm floor—built to handle steel beams, equipment, and construction materials without breaking a sweat. It’s a true "two-in-one" lifter-hauler, eliminating the need for extra vehicles and saving your boss some serious cash. Applications: The "All-Rounder" from City Streets to Mines Municipal Engineering: Installing streetlights or trimming trees? It’s faster and safer than human climbers. Mining Operations: Hauling ore, repairing equipment—it’s built tough for the harshest environments. Emergency Rescue: With a man basket, it doubles as an "aerial fire truck" for high-rise rescues. Transport: Load it up with heavy machinery for delivery, then use the crane for on-site unloading—no extra vehicles needed.
Learn More
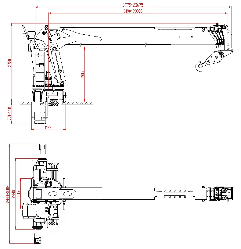
Isuzu GIGA 8×4 Truck-Mounted Crane: Reshaping Efficiency Benchmarks in Engineering Operations In the realm of engineering transportation and heavy-duty lifting, the Isuzu GIGA 8×4 truck-mounted crane stands out as a "game-changer" for municipal projects, bridge construction, and mining operations. Its innovation across chassis design, powertrain systems, and lifting mechanisms—combined with XCMG's high-quality crane technology—sets a new industry standard. Below, we dissect its core technical advantages to explain why it is the ideal choice for efficient operations. I. Powertrain & Transmission: Low-RPM High-Torque Precision ● Isuzu 6WG1-TCG62 Engine: The "Heart" of Engineering Operations Engine Specifications: The 6WG1-TCG62 engine boasts a 15.7L displacement, delivering 520 horsepower and a peak torque of 2,250 N·m at 900–1,300 RPM. Compliant with Euro 6 emission standards, it balances environmental protection with robust power output. Advanced Technologies: High-pressure common-rail injection and turbocharged intercooling systems enable instant torque delivery at low RPMs, ideal for challenging conditions such as hillside lifting and heavy-load startups. Paired with a 12-speed FAST transmission, it ensures seamless gear shifts and precise power distribution for both highway economy and off-road terrain. II. Ultra-Strong Load-Bearing & Stability Design ● Chassis & Axle Configuration Optimization 8×4 Drive Layout: With a total mass capacity of 44 tons and an axle spacing of 2,100+4,325+1,370mm, it balances steering agility with even load distribution. Cargo Box Durability: Measuring 7,000×2,350×550mm with 4mm side walls and 5mm floor plates, it ensures large-volume loading and structural rigidity under heavy loads. ● Tires & Suspension Systems 12R22.5 Tires: Provide exceptional ground contact area and grip, minimizing slip risks. Multi-Axle Balanced Suspension: Distributes heavy loads evenly, safeguarding chassis stability. III. Lifting System: XCMG GSQS500-5 Straight-Arm Crane Breakthroughs The next-generation G-series straight-arm crane features strengthened synchronized telescopic mechanisms, superior load-bearing telescoping capabilities, and a proprietary confluence proportional control system for precise, stable, and user-friendly operations. Key features include automatic hook retraction for safety, optional accessories (secondary hooks, work platforms, remote controls, torque limiters), and flexible configurations. ● Five-Section Synchronized Telescopic Boom: 23.7m Radius & 520kN·m Torque Lifting Efficiency: The 23.7m boom extends to cover a 20m radius when fully deployed (8,396mm leg span). With a 520kN·m torque rating and a 7,600kg crane weight, it ensures precision and stability. For example, in municipal projects, its 23.7m radius reduces vehicle repositioning, accelerating timelines. Hydraulic System Optimization: The 80+50L/min hydraulic system uses variable displacement pumps for dynamic flow allocation, synchronizing lifting, slewing, and telescoping motions to shorten cycle times. ● Outriggers & Installation Space: Multi-Scenario Adaptability Adjustable Leg Spans: Horizontal spans of 2,436–8,396mm and a 6,500mm longitudinal span cater to both confined and open workspaces. A 1,400mm installation clearance enables toolboxes or water tanks at the rear, optimizing efficiency. Safety Certification: The outrigger hydraulic system operates at 28MPa and has undergone 100,000 pressure tests to guarantee stability during lifting. XCMG GSQS500-5 Crane Advantages ● Enhanced Lifting Capacity: Handles heavier loads efficiently. ● Superior Stability: Equipped with safety systems (intelligent limiters, emergency stops, fault diagnostics) for secure operations. ● High Flexibility: Adapts to diverse lifting conditions and site requirements via multiple modes and controls. ● User-Friendly Design: Features a touchscreen control system and intelligent monitoring for simplified operation. ● Energy Efficiency: Advanced energy-saving technologies and smart management reduce consumption and costs. ● Low Noise: Uses noise-reduction and insulation materials to minimize pollution. ISUZU GIGA 8x4 20tons boom crane truck General Technical Parameters Overall Dimension 11980x2500x3980mm Gross Vehicle Weight 44000(Kg) Curb Weight 18500(Kg) Chassis Specification Chassis Brand Isuzu Drive model 8x4,LHD Cabin Isuzu VC66 chassis,2 seats with a sleeper, Left Hand Driving, with air conditional Engine Model 4-stroke direct injection , 6-cylinder in-line with water cooling, inter-cooling, EGR Type Isuzu 6WG1-TCG62 Power 380KW/520HP Emission standard EURO 6 Displacement 15681ml Fuel type Diesel Gearbox FAST 12 speed, 12 forward gears, ...
Learn More
Exploration of commonly used fire pumps and fire monitors: Taking Shanghai Xiongzhen fire pump and Chengdu West fire monitor as examples The fire truck is the most powerful weapon at the fire scene, and the fire pump and fire monitor are the core equipment on the fire truck. They are responsible for providing fire extinguishing water source and long-distance spraying of fire extinguishing agent respectively. Today, we will take Shanghai Xiongzhen fire pump and Chengdu West fire monitor as examples to explore these two types of fire fighting equipment. Shanghai Xiongzhen Fire Pump The fire pumps produced by Shanghai Xiongzhen Fire Equipment Co., Ltd. are widely used in the field of firefighting and rescue. CB10/20, CB10/30 and CB10/40 fire pumps CB10/20-XZ, CB10/30-XZ and CB10/40-XZ low-pressure vehicle fire pumps adopt a single-stage centrifugal water pump and a two-piston water diversion device. When the pump rotates, it drives the water diversion device, and the water diversion device automatically disengages after the pressure is met. The product has stable operation and reliable quality, and can be equipped with a variety of water inlet and outlet pipes. It is a high-efficiency, large-flow, stable low-pressure output special pump for fire trucks, which is widely used in various small and medium-sized fire trucks. Features ● Large flow and stable pressure: CB10/20-XZ rated flow 20L/s, CB10/30-XZ rated flow 30L/s, CB10/30-XZ rated flow 40L/s, rated pressure 1.0MPa, which can meet the needs of general fire fighting. ● Compact structure and light weight: It adopts lightweight design, compact structure, and is easy to install and maintain. ● Smooth operation and low noise: High-quality hydraulic models and precision processing technology are used to ensure smooth operation and low noise. ● High reliability and long service life: Key components are made of high-quality materials and have undergone rigorous testing to ensure that the product is reliable and durable. CB10/60 Fire Pump The CB10/60-XZ low-pressure vehicle fire pump is independently developed and designed by Xiongzhen. It adopts a single-stage guide vane structure with balanced, stable and reliable water output. It adopts an electric two-piston water diversion device, which has a short water diversion time and is easy to operate. It is a low-pressure and high-flow vehicle fire pump suitable for various types of fire trucks, such as light, medium and heavy fire trucks. Especially in occasions where a large flow of water is required, such as urban high-rise building fires, large commercial complex fires, etc. It can quickly provide a stable high-pressure water flow and provide strong firefighting support for firefighters. Technical Features High efficiency and energy saving: adopts a single-stage guide vane structure, and the water output is balanced, stable and reliable. The electric two-piston water diversion device has a short water diversion time and is easy to operate, which improves the firefighting efficiency. Large flow output: The rated flow reaches 60 L/s (liters per second), which can quickly provide a large amount of water flow in a short time. It is suitable for firefighting operations at large fire scenes to ensure that the fire is effectively controlled. Stable low-pressure performance: Under a working pressure of 1.0 MPa, it can maintain a stable flow output. The low-pressure output characteristic makes the pump safer and more reliable in fire truck applications, reducing the impact on pipelines and equipment. Compact structure and easy installation: The pump body is compact and light, which is easy to install on the fire truck and saves space. Reasonable design, easy to disassemble and replace parts, reducing maintenance costs. Durable and reliable, long service life: Made of high-quality materials, it has good corrosion resistance and wear resistance. After strict quality inspection and testing, it ensures that the pump has stable and reliable performance and long service life. CB10/80 fire pump CB10/80-XZ low-pressure vehicle fire pump introduces foreign advanced technology, innovative research and development concepts, adopts a two-stage impeller, pump casing guide vane integrated structure, and balanced, stable and reliable water output. It is a vehicle-used normal pressure fire pump, widely used in urban firefighting, industrial firefighting, forest firefighting and other fields. At the fire scene, it can quickly provide stable high-pressure water flow for fire cannons, water guns and other fire-fighting equipment, effectively extinguish the fire source, and protect people’s lives and property. Technical parameters • Model: CB10/80 • Flow rate: 80 L/s (liters per second) • Rated outlet pressure: 1.0 MPa (megapascal) • Form: normal pressure centrifugal • Maximu...
Learn More
Comparative Analysis of Electric Garbage Compactor Trucks and Traditional Fuel Garbage Compactor Trucks ——Taking Isuzu EVM600 and KV100 as Examples Urban garbage disposal is an important part of urban management, and garbage disposal vehicles are the key to achieving efficient garbage collection, transportation and disposal. In recent years, with the continuous development of new energy vehicle technology, electric garbage compactor trucks have gradually become a new choice in the field of urban garbage disposal with their advantages of zero emissions, low noise and low operating costs. This article will explore the advantages and disadvantages of electric garbage compactor trucks compared to traditional fuel garbage compactor trucks through a comparative analysis of Isuzu EVM600 and KV100. ★ Power system and energy type Isuzu EVM600 electric garbage compactor truck Isuzu EVM600 adopts a pure electric drive system and is equipped with CATL/L173TB2 battery. The battery has undergone rigorous extreme tests such as impact waterproofing, fire, extrusion, and vibration. Among them, 100 performance tests, 48 safety tests, and 125 reliability tests have been certified by national authoritative institutions. The battery is reliable and safe. The pure electric drive system is efficient and environmentally friendly. The peak power of the TZ370XS-LKM1201 drive motor is 185kW and the rated power is 100kW, which can meet the power requirements during garbage compression and transportation. Isuzu KV100 traditional fuel garbage compactor truck Isuzu KV100 is equipped with a traditional diesel engine. The engine model is Isuzu 4KH1CN6HB, with a displacement of 2.999L and a maximum output power of 97kW (132 horsepower). The engine is stable and reliable and meets the Euro6 emission standards. Isuzu 4KH1CN6HB engine Other engines Isuzu 4KB1-TCG60 engine Isuzu 4JZ1 engine Isuzu 6HK1-TCG60 engine Isuzu 6UZ1-TCG61 engine Isuzu 6WG1-TCG62 engine Contrast Specifications Isuzu EVM600 chassis Isuzu KV100 chassis Bin capacity 6cbm 6cbm Wheel base 3365mm 3360mm GVW 8995kg 7300kg Drive type Motor Direct Driving Diesel Engine Energy Type CATL/ L173TB2 Isuzu 4KH1CN6HB engine Displacement Zero Emissions 2999ml Gearbox Automatic Isuzu MLD 6-speed,manual Endurance capacity 106.95kwh 100L diesel ★ Environmental performance Isuzu EVM600 electric garbage compactor truck The Isuzu EVM600 achieves zero emissions with its pure electric drive system, effectively reducing urban air pollution and noise pollution. This is of great significance to improving the quality of urban environment and improving the quality of life of residents. Isuzu KV100 traditional fuel garbage compactor truck Although the diesel engine of Isuzu KV100 has high fuel efficiency, its emission (2999ml displacement) problem is still a problem that needs attention. The exhaust emissions of diesel vehicles contain a variety of harmful substances, which cause certain pollution to the environment. Isuzu EVM600 electric chassis technical drawing Isuzu KV100 chassis technical drawing ★ Operation cost Isuzu EVM600 electric garbage compactor truck The operation cost of electric garbage compactor truck is low, and the price of electricity is relatively stable and lower than the price of fuel. The electric motor has a simple structure and low maintenance cost, usually only regular compression inspection of the battery and motor system is required. However, the life of the battery pack is limited (usually 5-8 years), and replacing the battery may bring high costs. Isuzu KV100 traditional fuel garbage compactor truck Traditional fuel garbage compactor trucks have high operating costs, large fluctuations in fuel prices, and complex internal combustion engine structures. They require regular replacement of engine oil, filters and other components, require high maintenance frequency, and have high long-term use costs. ★ Endurance and operating efficiency Isuzu EVM600 electric rear loader truck In terms of endurance, the Isuzu EVM600 electric rear loader truck has shown significant advantages with its large-capacity battery of 106.95kWh. This battery capacity design is designed to ensure that the vehicle has sufficient range when performing daily garbage collection and transfer tasks, reducing the need for frequent charging, thereby improving operating efficiency. In actual use, through reasonable route planning and operation scheduling, the EVM600 can meet the single-day driving needs of most urban garbage collection tasks. Isuzu KV100 traditional fuel rear loader truck The Isuzu KV100 traditional fuel rear loader truck is equipped with a 100L diesel tank. With the high fuel efficiency of the diesel engine, the Isuzu KV100 has a stronger endurance and can maintain long-term continuous operation without frequent refueling. The high energy ...
Learn More
The Isuzu 100P vacuum truck is a powerful and efficient vehicle designed for cleaning and maintaining sewage systems and septic tanks. Operating this Isuzu Vacuum truck requires careful attention to detail and proper understanding of its functions. Here is a step-by-step guide on how to operate the Isuzu 100P vacuum truckStep 1: Start the engine- Insert the key into the ignition and turn it clockwise to start the engine.- Allow the engine to warm up for a few minutes before operating the vacuum truck.Step 2: Engage the vacuum system- Locate the vacuum pump control panel on the dashboard.- Turn on the vacuum pump by flipping the switch to the "on" position.- Adjust the vacuum pressure as needed using the control knob on the panel.Step 3: Begin suctioning waste- Position the vacuum hose over the waste material that needs to be suctioned.- Use the joystick control to maneuver the vacuum hose and control the suctioning process.- Monitor the waste tank level gauge to ensure it does not exceed the maximum capacity.Step 4: Empty the waste tank- Once the waste tank is full, park the vacuum truck in a safe and level area.- Turn off the vacuum pump and engage the tank draining system.- Use the provided hose to empty the waste tank into a designated disposal area.
Learn More
POWERSTAR's Isuzu 100P 15m aerial bucket truck is an excellent vehicle designed for aerial work, providing reliable support for various aerial work. Its most notable feature is that it is equipped with a 15-meter height-adjustable work platform, which is suitable for work scenarios such as building maintenance and road lighting installation. This vehicle is known for its sturdy chassis structure and reliable power system, making it an efficient and safe work tool. With the deepening of globalization, aerial work vehicles are indispensable and important equipment in many fields such as municipal administration, electricity, and communications. Their performance and safety have become key indicators for measuring product quality. As a leader in the field of Isuzu special vehicles, we produce Isuzu 100P 15-meter aerial work vehicles, which not only stands out with its excellent working height and stable performance, but also is equipped with a full range of safety monitoring systems, setting a new safety benchmark for the cross-border foreign trade market. The safety of an aerial bucket truck is crucial, and the safety monitoring system is an important part of ensuring the safety of staff and efficient vehicle operation. Isuzu 100P 15m aerial work vehicle is equipped with a leading safety monitoring system, which aims to provide all-round protection and monitoring for the operation, ensuring the safety and efficiency of the operation process. 1. Real-time monitoring system The safety monitoring system has a real-time monitoring function, which can monitor the position and status of workers at high altitudes in real time through high-definition cameras and sensor technology. The system can capture the dynamics of workers in time and issue an alarm when abnormal conditions are found to ensure that safety measures are responded to in time. 2. Height alarm system The vehicle is equipped with a height alarm system, which automatically triggers an alarm when the working platform exceeds the safe height, prompting the operator to adjust the height in time to avoid potential dangers and improve the safety of the operation. 3. Intelligent anti-collision warning Integrated radar and infrared sensors monitor the distance between the working vehicle and surrounding obstacles in real time. Once it approaches the safety limit, it immediately issues an audible and visual alarm and automatically adjusts the position of the working arm to prevent collisions. 4. Load monitoring and overload protection The high-precision weighing sensor monitors the load in the working bucket in real time. Once the rated load is exceeded, the system automatically alarms and restricts further operations, effectively preventing safety hazards caused by overload. 5. Emergency Braking and Stability Control System Equipped with ABS anti-lock braking system and ESP electronic stability program, the vehicle can brake quickly and maintain stability in an emergency, reducing the risk of skidding and rollover. 6. Remote Monitoring and Fault Diagnosis Through the vehicle GPS and remote monitoring system, users can view the vehicle location, operation status and safety monitoring data in real time. At the same time, the system has a fault diagnosis function to warn of potential problems in advance and reduce the failure rate. 7. Data Recording and Analysis The system can record and analyze key data during the operation, providing important support for safety assessment and improvement. Through in-depth analysis of the data, potential safety hazards can be discovered and corresponding improvement measures can be taken to ensure the safety and effectiveness of the operation process. The following is an introduction to the safety monitoring system of Isuzu's 15-meter aerial work vehicle.
Learn More
Isuzu potable water truck also known as water supply truck or water tank truck, has the functions of transportation and water supply. It can hold hot water and drinking water to meet the needs of different users in different usage environments. The Isuzu potable water truck can be equipped with a variety of spraying and water transport functions according to different usage environments and purposes. The multi-functional sprinkler truck integrates multiple functions and can generally be specially modified according to user requirements. The water tanks of Isuzu water tanker generally have different capacities, and the appropriate capacity can be selected according to different operating needs. Water pumps are usually available in different powers to meet different working requirements. Spraying devices come in many forms and can be adjusted as needed, with a wide spray range. Isuzu water carrier truck can also be equipped with special sprayers to achieve front fush, rear sprinkle, side spray, to sprinkle and clean the roads, streeets for environmental sanitation and protection, called as water sprinkler, water spray truck,With rear working platform and high cannon. 1.Isuzu mobile water truck has large capacity and high efficiency. Isuzu mobile water truck are usually equipped with large-capacity water tanks, which can carry a large amount of water at one time, effectively reducing the number and time of transportation. At the same time, Isuzu mobile water trucks usually use professional water pumps and pipeline systems to efficiently transport water sources from location A to location B, meeting water needs quickly and effectively. 2.Isuzu water supply truck is versatile and flexible. In addition to transporting water sources, the Isuzu water supply truck can also be used for irrigation, spraying and other purposes as needed, and has high applicability. In addition, Isuzu water supply trucks are usually equipped with a variety of operating control devices and safety protection systems, allowing operators to easily control the vehicle and ensure the safety of driving and operations. 3.Isuzu potable water truck is energy-saving, environmentally friendly, reliable and durable. Modern water trucks usually adopt advanced energy-saving technology and environmentally friendly design, such as efficient power systems and energy-saving and consumption-reducing working modes, which greatly reduce energy consumption and environmental pollution. Moreover, the Isuzu potable water truck has a sturdy and durable structural design and has undergone strict quality inspection and testing. It has high reliability and durability and can operate stably for a long time. To sum up, the Isuzu potable water truck has significant features such as large capacity and high efficiency, versatility and flexibility, energy saving, environmental protection, reliability and durability. It is a professional vehicle that plays an important role in the field of water transportation.
Learn More





